En vente Bien
| Ville | Nice |
| Code postal | 06000 |
| Type de bien | Bien |
| Surface | |
| Nombre de pièces | |
| Prix | 500 000,00 € |
| Informations sur l'annonceur | |
|---|---|
| Annonce de professionnel |
|
| Agence | NICE PROPERTIES Voir toutes les annonces |
| Adresse | 2, rue Halévy - Le Ruhl |
| 06000 Nice | |
| Téléphone Fixe | 0492070950 |
Description
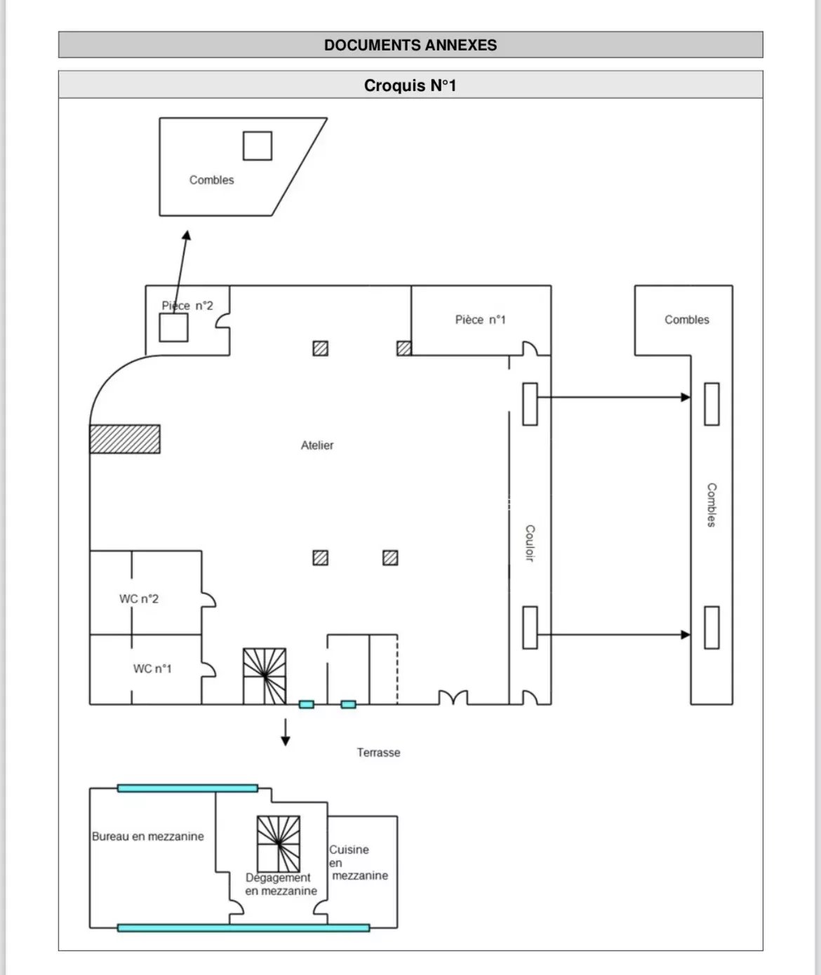
NICE HAUT GAMBETTA : Dans une impasse privée, cet entrepôt de 180 m2 climatisé, sur deux niveaux, comprend au rez de chaussée, une salle de réunion ou atelier de 95 m2, deux bureaux, 2 salles d’eau avec wc et une estrade de 9 m2. Sur la mezzanine de 33 m2, vous trouverez un dégagement, un bureau de 21 m2, une cuisine et un accès aux combles. Belle hauteur sous plafond. Stationnements. À proximité des commerces et non loin du centre-ville et de la Promenade des Anglais. Honoraires à la charge du vendeur. Les informations sur les risques auxquels est exposé sont disponibles sur le site Georisques.gouv.fr
Les photos du bien
Les diagnostics
Les informations complémentaires
Nice, entrepôt de 180 m2 avec stationnements